- 搪玻璃设备
- 王经理:05332860177
- 不锈钢有色金属设备
- 傅经理:13906430854
- 衬四氟设备及配件
- 傅经理:15253328001
- 技术咨询服务
- 王经理:18653342297
8000L搪玻璃反应釜技术参数及图纸
来源:搪瓷反应釜厂家??日期:2022-12-05
8000L搪玻璃反应釜技术参数及图纸,搪玻璃反应釜在各行各业的重要性不言而喻,我们介绍了很多规格的搪玻璃反应釜,今天我们就对8000L搪玻璃反应釜进行介绍,希望能对大家了解其有一定的作用。
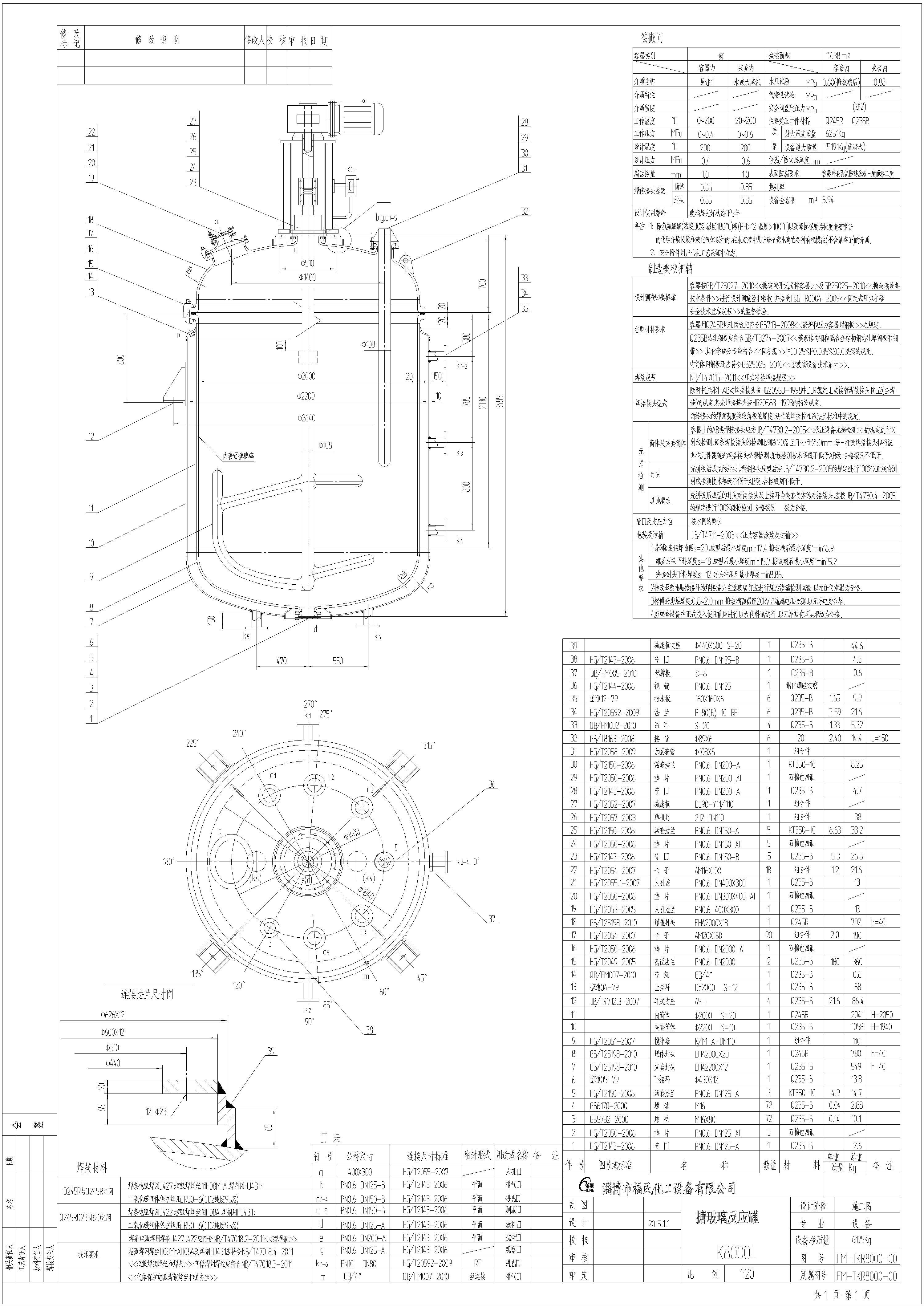
K8000L搪玻璃反应釜技术参数:公称容积:8000L;实际容积:8450L;传热面积:17.98㎡;内筒体:ф2000mm S=20mm;夹套筒体:ф2200mm S=10mm;搅拌器:K/M-A-DN100;釜体设计压力(0.25MPa、0.4MPa、0.6MPa),反应釜夹层设计压力(0.6MPa),反应釜参考重量6251㎏。一般采用11KW减速机,锚(框)式转速63.85r/min(叶轮80.125r/min),配有带视镜人孔盖PN0.6 400X300-II,垫片PN0.6 DN125。
K8000L搪玻璃反应釜图纸
F8000L搪玻璃反应釜技术参数:公称容积:8000L;实际容积:9060L;传热面积:18.38㎡;内筒体:ф2000mm S=20mm;夹套筒体:ф2200mm S=10mm;搅拌器:K/M-A-DN100;釜体设计压力(0.25MPa、0.4MPa、0.6MPa),反应釜夹层设计压力(0.6MPa),反应釜参考重量6430㎏。一般采用7.5KW减速机,锚(框)式转速63.85r/min(叶轮80.125r/min),配有带视镜人孔盖PN0.6 400X300-II,垫片PN0.6 DN125。
以上是关于8000L搪玻璃反应釜开式和闭式的简单介绍,不同的生产工艺对反应釜的形式要求不同,标准的有开式和闭式两种,当然大家若需要非标的,我们也是可以根据用户的实际需求制作非标的设备,大家若有需要可以来电咨询,福民人会竭诚为您服务。
淄博福民24小时客户服务热线:如果您对8000L搪玻璃反应釜感兴趣或有疑问,请致电:13906430854/0533-2860177,淄博福民化工设备--您贴心的采购厂家。








