- 搪玻璃设备
- 王经理:05332860177
- 不锈钢有色金属设备
- 傅经理:13906430854
- 衬四氟设备及配件
- 傅经理:15253328001
- 技术咨询服务
- 王经理:18653342297
6300L搪玻璃反应釜参数介绍含图纸
来源:搪瓷反应釜厂家??日期:2022-12-01
6300L搪玻璃反应釜参数介绍含图纸,6300L搪玻璃反应釜属于常用的一类规格,所以需求量一般也是不小的,那么大家对其参数有多少了解呢,今天我们就来介绍下6300L搪玻璃反应釜参数,希望对大家有参考价值。

6300L搪玻璃反应釜有开式和闭式两种,我们分别对其进行简单介绍。
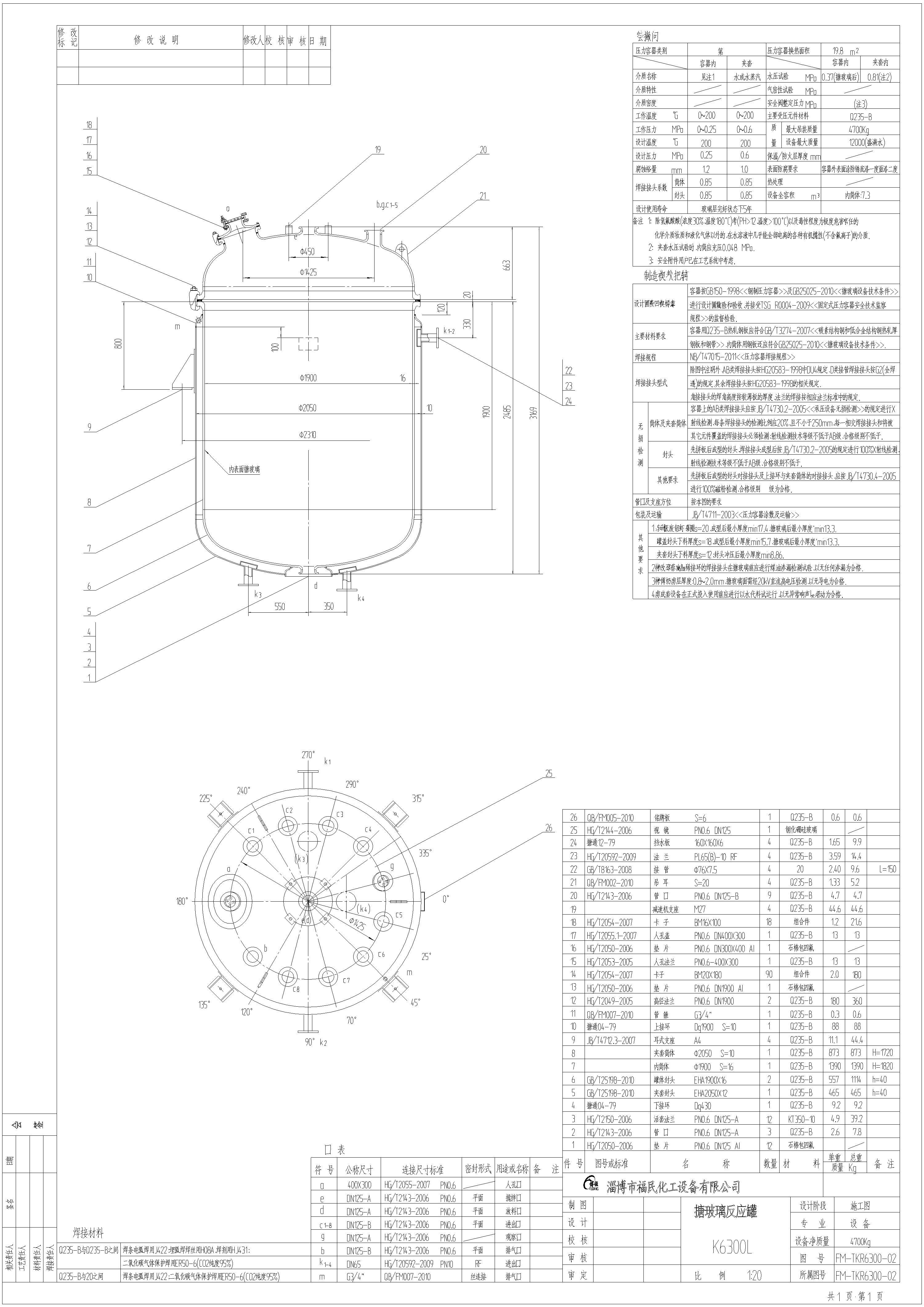
K6300L搪玻璃反应釜(反应罐)技术参数值:公称容积6300L,反应釜实际容积7420L,换热面积15.84㎡,内筒体1750mm,夹套筒体1900mm,釜体高度3528mm,釜体设计压力(0.25MPa、0.4MPa、0.6MPa),反应釜夹层设计压力(0.6MPa),反应釜参考重量4526㎏。一般采用7.5KW减速机,锚(框)式转速63.85r/min(叶轮80.125r/min),配有带视镜人孔盖PN0.6 400X300-II,垫片PN0.6 DN125。
K6300L搪玻璃反应釜图纸

F6300L搪玻璃反应釜(反应罐)技术参数值:公称容积6300L,反应釜实际容积6866L,换热面积16㎡,内筒体1750mm,夹套筒体1900mm,釜体高度3319mm,整体高度5200mm,釜体设计压力(0.25MPa、0.4MPa、0.6MPa),反应釜夹层设计压力(0.6MPa),反应釜参考重量5250㎏。一般采用7.5KW减速机,锚(框)式转速63.85r/min(叶轮80.125r/min),配有带视镜人孔盖PN0.6 400X300-II,垫片PN0.6 DN125。
以上是关于6300L搪玻璃反应釜的简单介绍,由于反应釜的配件较多,我们就不一一介绍了,其图纸上面有详细的介绍,大家可以自主查阅,如果大家对设备有疑问或者需求,可以联系我们的工作人员,我们会竭诚为您服务,期待您的垂询!






