- 搪玻璃设备
- 王经理:05332860177
- 不锈钢有色金属设备
- 傅经理:13906430854
- 衬四氟设备及配件
- 傅经理:15253328001
- 技术咨询服务
- 王经理:18653342297
搪玻璃精馏塔
来源:未知??日期:2018-12-03

搪玻璃精馏塔

搪玻璃精馏塔手绘图

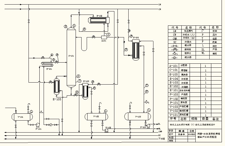
精馏塔工艺图

搪玻璃精馏塔规格参数

★ 温馨提示:以上搪玻璃精馏塔参数符合HG5-251-79标准,本公司所使用的产品部分图片为合成图、模拟演示图、效果图,与实物可能存在细微的差别,所以效果演示图和示意图仅供参考。
1、搪玻璃精馏塔
精馏塔筒体及镇料的选择
1.1筒体
根据物料的腐蚀性质和使用温度,选择据搪玻璃简体作为防腐层。设备采用法兰分节的办法进行加工,因考虑到设备法兰、栅板、垫片的厚度,采用螺栓连接和卡子连接两种型式。如果考虑设备使用寿命更长一些,可选择聚四乙烯焊接衬里,或聚四乙烯整体成型。
1.2填料
针对高腐蚀性介质的性质,可选择塑料填料、玻璃填料和陶瓷填料。在工业应用中玻璃填料存在加工量大、易碎、润湿不好等问题,不利于物料的分离,而塑料填料的使用温度较低。对于湿度较高的物系,一般选择陶瓷波纹规整坟料,具有较好的润湿效果、分布好和较好的分离效率,且易安装等特点。
2塔内件可供选择的材质
作为精馏塔的塔内件,因涉及腐蚀性介质,在塔的选型为填料塔的情况下,主要有支承栅板、液体再分布装置、液体进料装置,密封垫片及设备材质。从用户的使用情况看,分离物系如邻氯一氯苄(C7H6Cl2)与氯二氯苄(C7H5Cl3)的浓度对材质影响不大,主要影响因素是使用温度。根据分离物系如氯一氯苄(C7H6Cl2 )与氯二氯苄(C7H5C13),按真空条件。***高使用温度为180℃的条件来选用塔内件。
2.1 普通搪玻璃设备技术特性
耐腐蚀性:能耐各种浓度的无机酸、有机酸、有机溶剂及弱碱的腐蚀(氢氟酸、含氟离子的介质,浓度大于30%,湿度大于180℃的浓磷酸和强碱性介质除外)。
耐沮差急变性:冷→热:120℃,热→冷:110℃。
许用压力:罐内:0.245一0.392 MPa,罐外:0.588Mpa
许用温度:压力容器:0→180℃,非受压容器:一30→250℃
耐机械冲击性:用标准试样做耐机械冲击可达280 x10-3 J。
上一篇:没有了
下一篇:没有了






